LEGO® MINDSTORMS® and Technic®MINDSTORMS® EV3/NXTMINDSTORMS SensorsLEGO® technical dataLDrawMiscellaneous LEGO®VEX;LEGO® & PhotographyPanoramic PhotographyPhoto GalleryHome

 

 

 

    Lego compatible, compact rotation sensor

    This rotation sensor is based on a Bourns 3315 mechanical quadrature encoder. The small size of this encoder makes possible to cram the entire rotation sensor in a hollowed 2x3 brick (Bourns makes an even smaller device, referenced 3375 - see the Acrobat datasheet- but I couln't get one). It is also cheap, about $2.

    The main difficulty was to obtain the right electrical levels to be fully compatible with a Lego rotation sensor. The first try I made was to simply use a 10K ohms resistor for S1 and a 22K ohms for S2, but the level obtained with S1 and S2 closed was too high, and the RCX counted pulses strangely. So I came up with this design which gives exactely the same electrical levels than the Lego sensor. It works fine, but two problems remains :

    • the torque it needs to rotate is rather high
    • the mechanical contacts sometimes bounce and the RCX counts wrong. I tried to debounce the switches but found no simple solution. I will rather try optical forks to solve both problems.

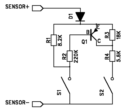
    Here is the schematics. S1/S2 represents the encoder, Q1 is a small signal PNP transistor (i.e. BC558) and D1 a signal diode (1N4148 for example) which protects from power reversal. The sensor is thus polarised - no room enough to use a full bridge rectifier !-

    The axle of the encoder fits nicely inside an axle pin whose hole has been slightly enlarged (verify that the axle pin rotates freely in the 2x1 brick hole with the encoder inserted). It is not necessary to glue it.

    Pretty crowded isn't it ?

    You have to file out 0.5 mm from the top of the encoder so that it is entirely inside the brick - or use a 3375 device -

    Side view, showing the 2x4 plate closing the sensor.

    With the same mechanical construction, I also built an angle sensor, using a potentiometer instead of the encoder. For another implementation of angle sensor, see Michael Gasperi Simple Angle Sensor

     

LEGO® MINDSTORMS® and Technic®MINDSTORMS® EV3/NXTMINDSTORMS SensorsLEGO® technical dataLDrawMiscellaneous LEGO®VEX;LEGO® & PhotographyPanoramic PhotographyPhoto GalleryHome